首頁>防爆風機>防爆軸流風機>BDFBZ防爆低噪音方形壁式軸流風機 > DBF系列變風量機箱
一。概述
DBF系列低噪聲變風量風機箱,采用先進的低噪聲雙吸式離心風機,并配置減振器,箱體內壁(保溫)吸聲面板,進風口設置過濾網。具有噪聲低,振動小,體積小,重量輕,風管連接靈活,現場拆裝方便的特點,具有消音和空氣過濾作用。配備電控箱后,可實現調速變風量,并可遠程控制。DBF系列低噪聲變風量風機箱可用作通風系統串聯加壓;或直接作為排氣風機;以及作混風箱兼動力源之用。要求通過風機箱的氣休無腐蝕性和自然性,不含粘性物質。DF系列低噪聲變風量風機箱已在空調通風工程廣泛使用。
DSF系列(HTFC系列)防排煙風機箱,HTFC系列消防專用離心式風機箱的派生產品,它采取的風機,設備,部件,材料均按高溫排煙風機箱配置,DSF(HTFC系列)防排煙風機箱除了能用作DBF系列低噪聲變風量風機箱外,還能排放280攝氏度以上的高溫煙氣。




| BDFBZ防爆低噪音方形壁式軸流風機的規格參數 | |
|---|---|
| 適用場所 | - |
| 額定電壓 | - |
| 功率 | - |
| 機號 | - |
| 轉速 | - |
| 風量 | - |
| 風壓 | - |
| 噪聲 | - |
| 重量 | - |
| 外形尺寸 | - |
| 安裝尺寸 | - | 其他參數 |
| 產品型號 | DBF |
| 防爆標志 | - |
| 供貨周期 | 15天 |
| 防爆合格證編號 | - |
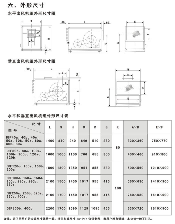
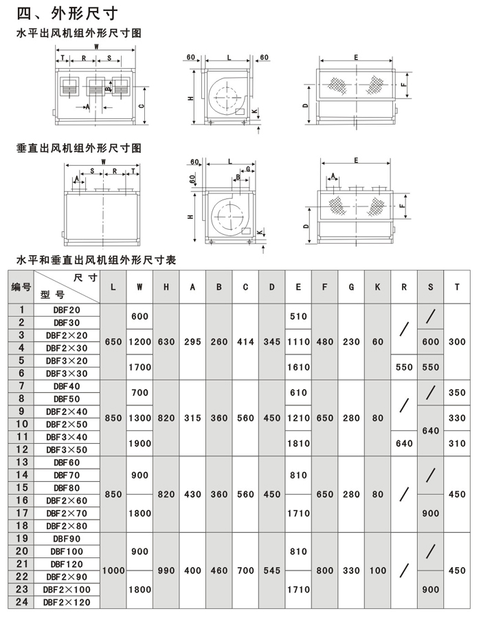
| 尺寸圖 |
|
|
豫公網安備41130202000490號
| 豫ICP備19015714號-1
(版權所有 防爆云平臺 © Copyright 2009 - 2024 . All Rights Reserved.)
違法和不良信息舉報投訴電話:0377-62377728 舉報郵箱:fbypt@ex12580.com