2年榮耀會員
商家等級:VIP 11 級
所在地區:浙江省樂清市北白象鎮沙門工業區(交通西路442號)
認證: 認證
店鋪榮譽: 標王
掃碼關注微店:暫未開通











| 混流(斜流)風機規格參數 | |
|---|---|
| 額定電壓 | - |
| 機號 | - |
| 電動機功率 | - |
| 轉速 | - |
| 工況 | - |
| 風量 | - |
| 風壓 | - |
| 噪聲 | - |
| 重量 | - |
| 外形尺寸 | - |
| 安裝尺寸 | - | 其他參數 |
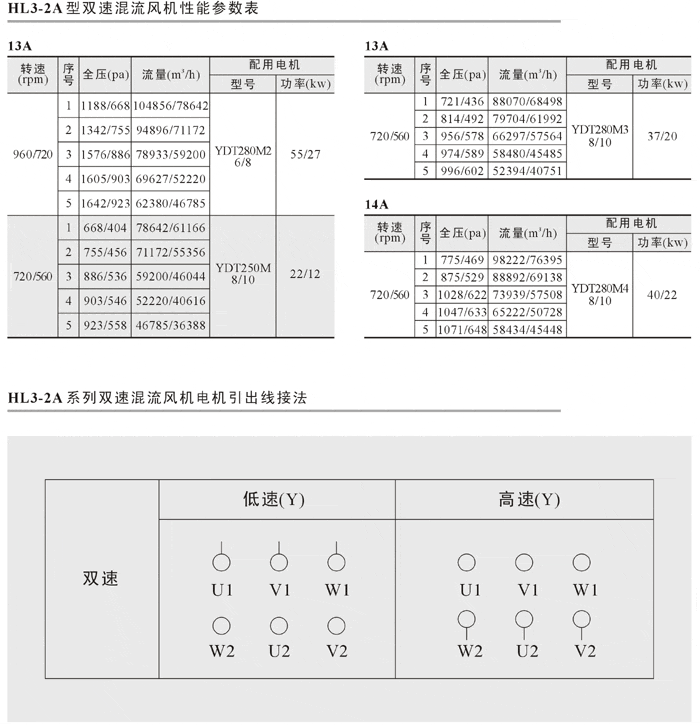
| 產品型號 | HL3-2A、PYH-14A系列 |
| 防爆標志 | - |
| 供貨周期 | 15天 |
| 防爆合格證編號 | - |
| 尺寸圖 | ![]() ![]() ![]() |
|
豫公網安備41130202000490號
| 豫ICP備19015714號-1
(版權所有 防爆云平臺 © Copyright 2009 - 2024 . All Rights Reserved.)
違法和不良信息舉報投訴電話:0377-62377728 舉報郵箱:fbypt@ex12580.com