首頁>電動機類>粉塵防爆三相異步電動機>低壓粉塵防爆三相異步電動機 > YFB系列粉塵防爆三相異步電動機
2年榮耀會員
商家等級:VIP 13 級
所在地區:南陽 高新區2號工業園
認證: 認證
店鋪榮譽: 標王
掃碼關注微店:暫未開通
本系列電動機功率范圍為0.12KW-315KW,機座高63-355mm本系列電動機外殼按其限制粉塵進入電機外殼內部的能力分為塵密性(適用21區)和防塵型(適用22區)防護等級分別為IP65和IP55,電動機的冷卻方式為IC411,并可按用戶要求派生制成戶外型(W),戶外防中等腐蝕型(WFI)等。
產品內部構造詳細展示
1.全新冷軋矽鋼片
2.100%全銅芯線圈

3.全新冷軋轉子

啟動轉矩大,震動小,功率足,質量可靠
| 低壓粉塵防爆三相異步電動機 | |
|---|---|
| 防爆等級 | DIP |
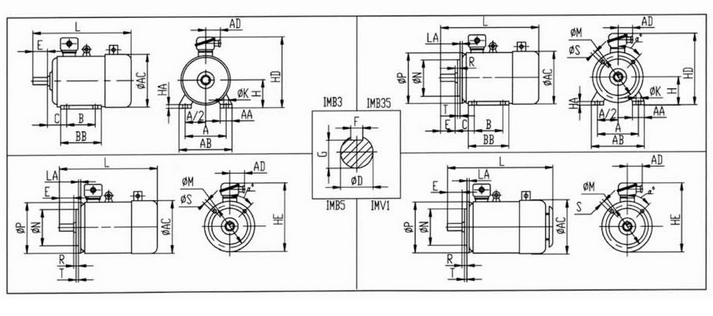
| 安裝方式 | B3,B5,B35,V1,其它 |
| 電壓 | 380V,660V,380/660V,其它 |
| 頻率 | 50Hz |
| 防護等級 | IP55 |
| 絕緣等級 | F級 |
| 極數 | 2P、4P、6P、8P、10P |
| 功率 | 0.18~315kW |
| 機座號 | - |
| 冷卻方式 | - |
| 工作制 | - |
| 海拔 | - |
| 環境溫度 | - | 其他參數 |
| 產品型號 | YFB系列 |
| 防爆標志 | - |
| 供貨周期 | 30天 |
| 產品證件 | / |
| 尺寸圖 |
|
|
豫公網安備41130202000490號
| 豫ICP備19015714號-1
(版權所有 防爆云平臺 © Copyright 2009 - 2024 . All Rights Reserved.)
違法和不良信息舉報投訴電話:0377-62377728 舉報郵箱:fbypt@ex12580.com